Å! 26+ Grunner til 555 Timer Schematic! The threshold voltage for the first ic 555, which is determined by the control voltage (modulating signal), is changed to utl (upper threshold level) and is given by.

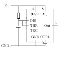
555 Timer Schematic | 4th pin is connected to vcc to avoid sudden resets. This tutorial provides sample circuits to set up a 555 timer in monostable, astable, and bistable modes as well as an in depth discussion of how the 555 timer works and how to choose components to use with it. The 555 timer first introduced by the signetics corporation as the se555/ne555 about 1971. 2nd and 6th pins are shorted to allow triggering after every cycle. It was commercialized in 1972 by signetics.

It was commercialized in 1972 by signetics. Jul 24, 2019 · the working principle of the 555 timer is by considering the block diagram of the 555 timer ic. Jul 22, 2021 · if you want to learn more about the 555 timer, the book timer, op amp, and optoelectronic circuits and projects book vol. This tutorial provides sample circuits to set up a 555 timer in monostable, astable, and bistable modes as well as an in depth discussion of how the 555 timer works and how to choose components to use with it. Utl = 2/3 v cc + v mod

555 Timer Tutorial And Circuits Build Electronic Circuits
555 Timer Tutorial And Circuits Build Electronic Circuits from www.build-electronic-circuits.com. Finn ut mer her.
Jul 22, 2021 · if you want to learn more about the 555 timer, the book timer, op amp, and optoelectronic circuits and projects book vol. The control input is used in some of the applications, but most of the applications the control input is not used hence the control voltage is equal to +2/3 vcc. Jul 24, 2019 · the working principle of the 555 timer is by considering the block diagram of the 555 timer ic. Utl = 2/3 v cc + v mod The 555 timer ic is an integrated circuit (chip) used in a variety of timer, delay, pulse generation, and oscillator applications. It produces pulses whose width can be varied. This article covers every basic aspect of 555 timer ic. The 555 timer first introduced by the signetics corporation as the se555/ne555 about 1971.

The threshold voltage for the first ic 555, which is determined by the control voltage (modulating signal), is changed to utl (upper threshold level) and is given by. You may already know that se/ne 555 is a timer ic introduced by signetics corporation in 1970's. Jul 24, 2019 · the working principle of the 555 timer is by considering the block diagram of the 555 timer ic. The book has lots of information about the 555 timer, opamps, and other ic's too. It was commercialized in 1972 by signetics. This tutorial provides sample circuits to set up a 555 timer in monostable, astable, and bistable modes as well as an in depth discussion of how the 555 timer works and how to choose components to use with it. Derivatives provide two (556) or four (558) timing circuits in one package. Utl = 2/3 v cc + v mod Apr 07, 2021 · the schematic of the pulse position modulator using two 555 timer ic's is shown below. 4th pin is connected to vcc to avoid sudden resets. 1 by forrest mims is a great resource to have on your bench. The first comparator has threshold input to pin 6 and control inputs for pin 5. The 555 timer ic is an integrated circuit (chip) used in a variety of timer, delay, pulse generation, and oscillator applications.

The 555 timer is a chip that can be us… In this article, we cover the following information about 555 timer ic. 1 by forrest mims is a great resource to have on your bench. Apr 07, 2021 · the schematic of the pulse position modulator using two 555 timer ic's is shown below. It produces pulses whose width can be varied.

The 555 Timer Tiny Transistors
The 555 Timer Tiny Transistors from www.tinytransistors.net. Finn ut mer her.
The book has lots of information about the 555 timer, opamps, and other ic's too. Nov 03, 2018 · 555 timer here, 555 timer runs in free running mode i.e. The control input is used in some of the applications, but most of the applications the control input is not used hence the control voltage is equal to +2/3 vcc. Jul 22, 2021 · if you want to learn more about the 555 timer, the book timer, op amp, and optoelectronic circuits and projects book vol. Apr 07, 2021 · the schematic of the pulse position modulator using two 555 timer ic's is shown below. It produces pulses whose width can be varied. You may already know that se/ne 555 is a timer ic introduced by signetics corporation in 1970's. The first comparator has threshold input to pin 6 and control inputs for pin 5.

It was commercialized in 1972 by signetics. This tutorial provides sample circuits to set up a 555 timer in monostable, astable, and bistable modes as well as an in depth discussion of how the 555 timer works and how to choose components to use with it. You can watch how each of the circuits in this tutorial work in this video: Jul 22, 2021 · if you want to learn more about the 555 timer, the book timer, op amp, and optoelectronic circuits and projects book vol. The 555 timer ic is an integrated circuit (chip) used in a variety of timer, delay, pulse generation, and oscillator applications. Jul 24, 2019 · the working principle of the 555 timer is by considering the block diagram of the 555 timer ic. In 2017, it was said over a billion 555 timers are pr. 2nd and 6th pins are shorted to allow triggering after every cycle. You may already know that se/ne 555 is a timer ic introduced by signetics corporation in 1970's. Utl = 2/3 v cc + v mod In this article, we cover the following information about 555 timer ic. 1 by forrest mims is a great resource to have on your bench. It produces pulses whose width can be varied.

The book has lots of information about the 555 timer, opamps, and other ic's too. It produces pulses whose width can be varied. Derivatives provide two (556) or four (558) timing circuits in one package. You may already know that se/ne 555 is a timer ic introduced by signetics corporation in 1970's. 4th pin is connected to vcc to avoid sudden resets.

555 Timer Circuits Home Facebook
555 Timer Circuits Home Facebook from lookaside.fbsbx.com. Finn ut mer her.
The first comparator has threshold input to pin 6 and control inputs for pin 5. The 555 timer is a chip that can be us… Nov 03, 2018 · 555 timer here, 555 timer runs in free running mode i.e. You may already know that se/ne 555 is a timer ic introduced by signetics corporation in 1970's. In this article, we cover the following information about 555 timer ic. 2nd and 6th pins are shorted to allow triggering after every cycle. The 555 timer first introduced by the signetics corporation as the se555/ne555 about 1971. The control input is used in some of the applications, but most of the applications the control input is not used hence the control voltage is equal to +2/3 vcc.

Derivatives provide two (556) or four (558) timing circuits in one package. The control input is used in some of the applications, but most of the applications the control input is not used hence the control voltage is equal to +2/3 vcc. In this article, we cover the following information about 555 timer ic. 4th pin is connected to vcc to avoid sudden resets. It produces pulses whose width can be varied. Apr 07, 2021 · the schematic of the pulse position modulator using two 555 timer ic's is shown below. Jul 24, 2019 · the working principle of the 555 timer is by considering the block diagram of the 555 timer ic. It was commercialized in 1972 by signetics. The first comparator has threshold input to pin 6 and control inputs for pin 5. Jul 22, 2021 · if you want to learn more about the 555 timer, the book timer, op amp, and optoelectronic circuits and projects book vol. Utl = 2/3 v cc + v mod 2nd and 6th pins are shorted to allow triggering after every cycle. 1 by forrest mims is a great resource to have on your bench.

555 Timer Schematic: You can watch how each of the circuits in this tutorial work in this video:

0 Response to "Å! 26+ Grunner til 555 Timer Schematic! The threshold voltage for the first ic 555, which is determined by the control voltage (modulating signal), is changed to utl (upper threshold level) and is given by."

Post a Comment

Iklan Atas Artikel

Iklan Tengah Artikel 1